IC 74LS148
Penjelasan
IC 74LS148 merupakan
ic encoder yang terdiri dari 9 input dan 5 output dan ic ini dirancang untuk
kecepatan rendah dan dalam ic encoder ini dalam 9 input ke 5 output dengan
menggabungkan 1-9 akan terjadi masukan atau input untuk menyederhanakan
cascanding (EI Input dan EO Enable Output akan aktif) ,Dan sirkuit cascanding
ini tidak memerlukan sirkuit eksternal .
Encoder itu sendiri
adalah alat yang digunakan untuk mengubah sinyal seperti data ke dalam
bentuk yang dapat diterima untuk transmisi data atau penyimpanan data. LS148
ini adalah Encode dari 8 jalur data ketiga baris (4,2,1) Biner (Oktal).
(True Table IC 74LS148)
Prinsip Kerja
- Jika Input pda EI diberikan logika H dan pada input yang lain diberi logika X maka pada output A2,A1,A0,GS, Dan E0 akan menyala
- Jika input pada EI di berikan logika L dan pada input yang lain diberi logika H maka pada output A2,A1,AO,GS Akan menyala dan output yang lain mati.
- Jika input pada EI dan 7 diberikan logika L dan pada input yang lain diberi logika X maka output A2,A1,AO,GS, Akan mati dan E0 akan menyala.
- Jika input EI,6 diberi logika L dan 7 diberi logika H dan input yang lain diberi logika X maka pada output A0 dan E0 akan menyala maka output yang lain mati.
- Jika input EI dan 5 diberi logika L dan 6,7 diberi logika H dan nput yang lain diberi logika X maka pada output A1 dan EO akan menyala dan output yang lain mati.
- Jika input EI dan 4 diberi logika L dan 5,6,7, diberi logika Hdan input yang lain di beri logika X maka pada output A1,A0,dan E0 akan menyala dan output yang lain akan mati.
- Jika input EI dan 3 diberikan logika L dan 4,5,6,7, diberi logika H dan input yang lain diberi logika X maka pada output A2 Dan E0 akan menyala dan yang lain mati.
- Jika input EI dan 2 diberi logika L dan 3,4,5,6,7, dibei logika H dan yang lain diberi logika X maka output A2,A0 dan EO akan menyala dan yang lain mati.
- Jika input EI dan 1 diberi logika L dan 2,3,4,5,6,7, diberi logika H dan yang lain dibei logika X maka pada output A2,A1 dan EO akan menyala dan yang lain mati.
- Jika input EI dean O dibei logika L dan yang lain diberi logika H maka pada output A2,A1,AO dan EO akan menyala dan GS mati.
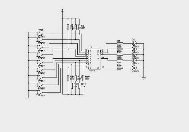
(Gambar Skema Rangkaian ENCODER DEMULTIPLEXER)
(Gambar Layout PCB ENCODER DEMULTIPLEXER)
(Gambar Tata Letak ENCODER DEMULTIPLEXER)
Alat
dan Bahan
- ALAT :
v SOLDER
v PENYEDOT TIMAH
v TIMAH
v TANG
v AVO
METER
v POWER
SUPPLY
-BAHAN :
v IC
74148
v RESISTOR
10K (8 Buah)
v RESISTOR
330R (3 Buah)
v LED
(4 buah)
v KAPASITOR
100nf (8 buah)




























